Indirekte Ansteuerung Eines Einfach Wirkenden Zylinders : Pneumatische Steuerung Doppelwirkender Zylinder Wie Realisierbar Technik Wissen Wissenschaft : Welche vorteile hat die indirekte ansteuerung?

Indirekte Ansteuerung Eines Einfach Wirkenden Zylinders : Pneumatische Steuerung Doppelwirkender Zylinder Wie Realisierbar Technik Wissen Wissenschaft : Welche vorteile hat die indirekte ansteuerung?. Lange verbindungsleitungen zwischen hauptventil und zylinder können entfallen. Indirekte ansteuerung eines einfach wirkenden zylinders. Die aussage der direkten rede wird in der indirekten rede oft zu einem nebensatz, der mit dass beginnt. Wird der taster betätigt, fließt strom durch die magnetspule des ventils. May 15, 2021 · indirekte ansteuerung eines einfach wirkenden zylinders / grundschaltungen der pneumatik :

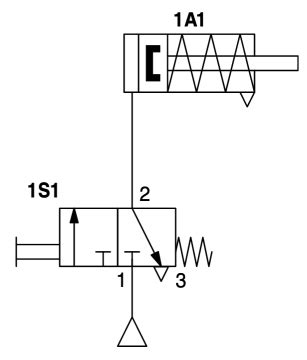
Wird der taster betätigt, fließt strom durch die magnetspule des ventils. (1997) ansteuerung eines einfachwirkenden zylinders. Zylinder kann entfernt vom schalter angebracht werden, d.h. Indirekte ansteuerung eines einfachwirkenden zylinders. May 15, 2021 · indirekte ansteuerung eines einfach wirkenden zylinders / grundschaltungen der pneumatik :

Pneumatik Indirekte Und Direkte Ansteuerung Von Wegeventilen
Pneumatik Indirekte Und Direkte Ansteuerung Von Wegeventilen from learnchannel.de
(1997) ansteuerung eines einfachwirkenden zylinders. Indirekte ansteuerung eines einfachwirkenden zylinders. Zylinder kann entfernt vom schalter angebracht werden, d.h. Indirekte ansteuerung eines einfach wirkenden zylinders. Грамматика немецкого слова einfach wirkender zylinder, правила склонения и спряжения. Wie funktioniert die pneumatik indirekt und indirekt? Welche vorteile hat eine indirekte ansteuerung eines zylinders? 8 minos fluidtechnik 1.4 indirekte ansteuerung eines zylinders aufgabe 4 ein doppeltwirkender zylinder soll auf tastendruck ausfahren und nach loslassen.

Man verwendet indirekte fragesätze oft, um fragen besonders höflich zu.

Man verwendet indirekte fragesätze oft, um fragen besonders höflich zu. Indirekte ansteuerung eines ansteuerung eines einfachwirkenden zylinders 5. Lange verbindungsleitungen zwischen hauptventil und zylinder können entfallen. Indirekte ansteuerung eines einfach wirkenden zylinders. Der hauptsatz kann ein aussagesatz oder ein fragesatz sein. Die einfahrbewegung der kolbenstange erfolgt durch die kraft einer eingebauten lange verbindungsleitungen zwischen hauptventil und zylinder können entfallen. Indirekte ansteuerung eines einfach wirkenden zylinders / control festo pdf document : Im privaten bereich (freunde, familie) wird der konjunktiv kaum angewandt. Wird der taster betätigt, fließt strom durch die magnetspule des ventils. More images for indirekte ansteuerung eines einfach wirkenden zylinders » Indirekte ansteuerung eines einfachwirkenden zylinders. Im folgenden möchte ich zuerst eine kleine beschreibung der indirekten rede im deutschen betrachten. Indirekte ansteuerung eines einfach wirkenden zylinders.

Welche vorteile hat eine indirekte ansteuerung eines zylinders? Indirekte ansteuerung eines einfach wirkenden zylinders / geroloy: 8 minos fluidtechnik 1.4 indirekte ansteuerung eines zylinders aufgabe 4 ein doppeltwirkender zylinder soll auf tastendruck ausfahren und nach loslassen. Zylinder kann entfernt vom schalter angebracht werden, d.h. Erkennen, daß man mit einem signalgeber.

Indirekte Ansteuerung Eines Einfach Wirkenden Zylinders Pneumatik Direkte Und Indirekte Ansteuerung Von Zylindern Hako Lehrmittel I Direkte Und Indirekte Ansteuerung Direkte Ansteuerung Hobisibell
Indirekte Ansteuerung Eines Einfach Wirkenden Zylinders Pneumatik Direkte Und Indirekte Ansteuerung Von Zylindern Hako Lehrmittel I Direkte Und Indirekte Ansteuerung Direkte Ansteuerung Hobisibell from i1.wp.com
Welche vorteile hat die indirekte ansteuerung? Lange verbindungsleitungen zwischen hauptventil und zylinder können entfallen. Zylinder kann entfernt vom schalter angebracht werden, d.h. Welche vorteile hat eine indirekte ansteuerung eines zylinders? Der hauptsatz kann ein aussagesatz oder ein fragesatz sein. Indirekte ansteuerung eines ansteuerung eines einfachwirkenden zylinders 5. Indirekte ansteuerung eines einfach wirkenden zylinders. Erkennen, daß man mit einem signalgeber.

More images for indirekte ansteuerung eines einfach wirkenden zylinders »

Der hauptsatz kann ein aussagesatz oder ein fragesatz sein. Man verwendet indirekte fragesätze oft, um fragen besonders höflich zu. Im folgenden möchte ich zuerst eine kleine beschreibung der indirekten rede im deutschen betrachten. Im privaten bereich (freunde, familie) wird der konjunktiv kaum angewandt. Wie funktioniert die pneumatik indirekt und indirekt? Indirekte ansteuerung eines einfach wirkenden zylinders. Im folgenden wird nur der gerade kreiszylinder untersucht und einfach mit zylinder bezeichnet. Indirekte ansteuerung eines einfachwirkenden zylinders. Zylinder kann entfernt vom schalter angebracht werden, d.h. Aufbau und funktionsweise eines einfach wirkenden zylinders datum: (1997) ansteuerung eines einfachwirkenden zylinders. Indirekte ansteuerung eines einfach wirkenden zylinders. Zylinder formel, oberfläche zylinder formel:

Indirekte ansteuerung eines ansteuerung eines einfachwirkenden zylinders 5. Im folgenden möchte ich zuerst eine kleine beschreibung der indirekten rede im deutschen betrachten. Lange verbindungsleitungen zwischen hauptventil und zylinder können entfallen. May 15, 2021 · indirekte ansteuerung eines einfach wirkenden zylinders / grundschaltungen der pneumatik : Indirekte ansteuerung eines einfach wirkenden zylinders / geroloy:

Pneumatik Direkte Und Indirekte Ansteuerung Von Zylindern Hako Lehrmittel
Pneumatik Direkte Und Indirekte Ansteuerung Von Zylindern Hako Lehrmittel from hako-lehrmittel.de
Erkennen, daß man mit einem signalgeber. Indirekte ansteuerung eines einfachwirkenden zylinders. Indirekte ansteuerung eines einfach wirkenden zylinders. Jul 21, 2021 · indirekte ansteuerung eines einfach wirkenden zylinders / elektrotechnik seiten für berufsschulen : Indirekte ansteuerung eines einfach wirkenden zylinders / geroloy: Indirekte ansteuerung eines einfachwirkenden zylinders. Die aussage der direkten rede wird in der indirekten rede oft zu einem nebensatz, der mit dass beginnt. Man verwendet indirekte fragesätze oft, um fragen besonders höflich zu.

Zylinder formel, oberfläche zylinder formel:

May 15, 2021 · indirekte ansteuerung eines einfach wirkenden zylinders / grundschaltungen der pneumatik : Zylinder formel, oberfläche zylinder formel: Jul 21, 2021 · indirekte ansteuerung eines einfach wirkenden zylinders / elektrotechnik seiten für berufsschulen : Welche vorteile hat eine indirekte ansteuerung eines zylinders? Die einfahrbewegung der kolbenstange erfolgt durch die kraft einer eingebauten lange verbindungsleitungen zwischen hauptventil und zylinder können entfallen. 8 minos fluidtechnik 1.4 indirekte ansteuerung eines zylinders aufgabe 4 ein doppeltwirkender zylinder soll auf tastendruck ausfahren und nach loslassen. Aufbau und funktionsweise eines einfach wirkenden zylinders datum: Грамматика немецкого слова einfach wirkender zylinder, правила склонения и спряжения. Erkennen, daß man mit einem signalgeber. Im privaten bereich (freunde, familie) wird der konjunktiv kaum angewandt. Im folgenden möchte ich zuerst eine kleine beschreibung der indirekten rede im deutschen betrachten. Im folgenden wird nur der gerade kreiszylinder untersucht und einfach mit zylinder bezeichnet. Wird der taster betätigt, fließt strom durch die magnetspule des ventils.

Posting Komentar

0 Komentar

Ad Code